SDV40 Multiple Directional Control Valve HERCULES
Feature
● Slice structure, so that the control block can meet the requirements of differing machines
● Circuit types: parallel, tandem or series circuits
● Operation type: Mechanical, Hydraulic, Pneumatic, Electro-hydraulic
● Multiple rod positioning and resetting mechanism
● Precision control of flow and pressure, excellent tinny adjustment
● Low pressure losses
● Mainly used in hydraulic system of engineering vehicle.
Code building instruction
SDV 40 .□ □/ □ /□
① ② ③ ④ ⑤ ⑤
①Valve used on engineering vehicle
②Flow: maximum flow 40GPM(160L/min)
③Work section: 1- 1 section.2- 2 sections
④Operation: S-Mechanical / Y- Hydraulic/ Q- Pneumatic/ D-Electro-hydraulic
⑤Variants: A/O/...
Technical data
● Max Pressure: 28 MPa
● Rated Flow: 120L/min
● Max Flow: 160L/min
Spool variants
|
A:single action
cyl |

|
Y:Double action
float |

|
|
O:Double action
cyl |

|
Q:Double action |

|
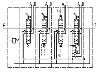
Hydraulic Circuit Diagram
Example:

Unit dimensions(mm)

Weight
2 work section…………………………17.7 Kg
Adding 1 work section…………………4.5 Kg
2 work section of high body…………20.9 Kg
Adding 1 work section of high body…6.1 Kg